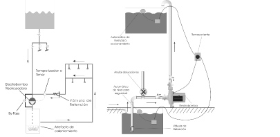
Descripción
Recirculación de agua caliente hasta 70ºC. Abastecimiento de agua para toda vivienda. Apta para bombear agua potable sin residuos
Motor
- Totalmente silencioso
- Bobinado protegido contra funcionamiento en seco, se apaga automáticamente.
- Posee protector térmico incorporado.
- No produce golpes de ariete.
Construcción
- Equipos compactos
- Partes en contacto con el agua fabricadas con materiales sanitarios.
- Sistema rotor húmedo
Conexiones
- Conexión eléctrica directa a la red
- Entrada y salida con rosca de 3/4”,1” y 1½” (según producto)
Características
- Tensiones disponibles: 220v
- Temperatura máxima del agua: 70ºC
- Temperatura ambiente: 40ºC
- Presión máxima del sistema: 10Kg/cm²
- Tipo de aislación: F
- Pérdida de carga máxima en succión: 4 m.c.a.


