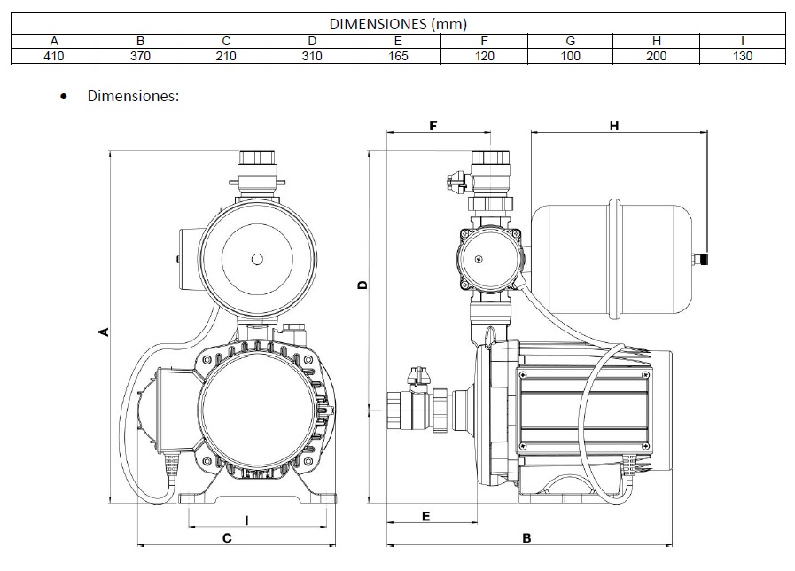
Descripción
Aumento de la presión de agua en viviendas en general con cisterna o tanque elevado. Bajo consumo, seguridad y confiabilidad. Hasta 3 plantas y 3 duchas
Ventajas
- No produce golpes de ariete
- Único con sistema “RPX”
- La bomba del equipo es ROWA y por ello es totalmente silenciosa
- No requiere ningún mantenimiento
- Bajo consumo
- Seguridad, confiabilidad
Motor
- Totalmente silencioso
- Bobinado protegido contra funcionamiento en seco, se apaga automáticamente.
- Posee protector térmico incorporado.
Construcción
- Equipos compactos.
- Partes en contacto con el agua fabricadas con materiales sanitarios.
- Sistema rotor húmedo.
Conexiones
- Entrada y salida con rosca de 1”
- 2 válvulas esféricas con uniones dobles (bronce)
- Conexión eléctrica directa a la red
Características
- Tensiones disponibles: 220V
- Temperatura máxima del agua: 40ºC
- Temperatura ambiente: 40ºC
- Presión máxima del sistema: 6Kg/cm²
- Tipo de aislación: F
- Pérdida de carga máxima en succión: 4 m.c.a.
Sistema SRS
Este producto fue fabricado de acuerdo con el “Sistema de Reparación Simple” por kits de reposición ROWA (SRS). El sistema SRS permite realizar cualquier reparación en menos de 15 minutos, en el mismo lugar donde se encuentra instalado el equipo. Los kits de reposición SRS pueden ser adquiridos en los comercios autorizados por ROWA.








